製品
NLタイプのナイロンギアフレキシブルカップリングの交換

NLタイプのナイロンギアフレキシブルカップリングの交換

NLタイプのナイロンギアカップリングは、その軽量と耐久性によって特徴付けられます。金属コンポーネントを備えたナイロンで作られているため、静かでメンテナンスがないため、中程度および中容量の伝送装置に適しています。 Raydafonは、中国の専門的な結合メーカーとして、独自の工場を運営しており、高品質で信頼性の高い製品の安定した供給を提供しています。 私たちは信頼できるサプライヤーであり、品質、保証された配信、および合理的な価格設定を強調し、さまざまな運用条件下で企業が送信効率を改善するのに役立ちます。


1日中液体を移動するポンプのような機械のような機械を扱っている場合、空間を換気し続けるファン、またはノンストップを実行する繊維装置を扱っている場合、小さな誤整形を処理するのに十分な柔軟性があるが、トルクを安定させ続けるのに十分なカップリングが必要です。それがまさに、RaydafonのNLタイプのNylon Gear Flexible Couplingのために構築されているものです。最大4mmの軸方向の不整合と2度の角度の不整列を処理するため、シャフトが完全に並んでいない場合でも、ギアを止めずに走らせます。


NL1からNL10までずっとモデルがあるため、ほとんどすべての光から中程度の仕事に適しています。トルク容量は40 n・mから3150 n・mの範囲で、穴の直径は6mmから100mmになります。大きすぎたり小さすぎたりするサイズを狩る必要はありません。このナイロンギアの柔軟なカップリングを際立たせるのは、そのビルドです。スチールハブとペアになった高強度ナイロンスリーブです。そのコンボは、それが静かに実行されることを意味し、メンテナンスのために触れる必要はほとんどありません。産業機械用の柔軟なギアカップリングの魅力であり、ポンプを特に使用している場合は、ポンプ用の最も信頼性の高いナイロンスリーブギアカップリングの1つです。さらに、コンパクトなデザインはタイトなセットアップに適合し、ワークスペースが肌寒くて暖かい場合でも、-20°Cから +70°Cの間でスムーズに動作します。


Raydafonでは、これらのカップリングを中国で行い、ISO 9001の基準に厳密に固執しています。すべての部分がチェックされ、耐久性があり続ける準備ができていることを確認します。ナイロンスリーブは強いだけでなく、導電性ではなく、耐食性もあります。これは、他のカップリングが錆びたり短くなったりする可能性のある湿度の高いスペースや化学物質を備えたエリアのゲームチェンジャーです。これは長く続きます。そして、そのシンプルな構造により、アセンブリと分解がそよ風になります。複雑なツールはなく、交換したりメンテナンスを行う必要がある場合に迅速に作業します。そのため、カスタムナイロンギアのカップリングのトップピックであり、特定のセットアップに合わせて調整できます。これは、織物や紡績機の絶え間ない動きに耐えるために、繊維装置の最も耐久性のある柔軟なギアカップリングの1つです。


あらゆる種類のサイズとシャフトの構成を提供するので、機械に合わせたカップリングを取得します。そして、私たちは価格を競争力を維持しているので、品質のために使いすぎる必要はありません。世界中の企業にとって、これは(インストールと保守が簡単であるため)ダウンタイムが短くなり、機器の効率が向上することを意味します。


nl-type-nylon-gear-flexible-coupling

製品仕様

nl-type-nylon-gear-flexible-coupling-specification

nl-type-nylon-gear-flexible-coupling-specification


作業原則

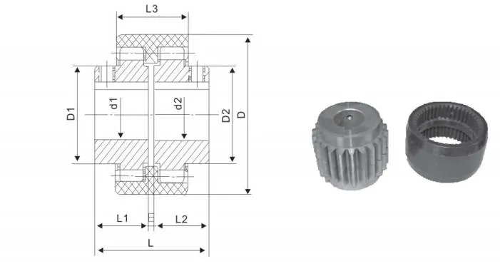
NLタイプのナイロンギアフレキシブルカップリングのコア作業ロジックは、メッシュギアの歯に依存してトルク透過を実現しますが、内部のナイロンスリーブは、重要な柔軟なコンポーネントとして、シャフトシステムの誤整合を効果的に補償するだけでなく、ショックを吸収する上で重要な役割を果たすこともできます。この構造設計では、外歯を持つ2つのハブが、内蔵のナイロン内部ギアスリーブを通して接続されています。この組み合わせは、機械システムでの効率的な電力伝送を保証するだけでなく、動作中に生成される振動と影響を大幅に減らします。この設計上の利点は、中小規模の機器に適応する必要があるNLタイプナイロンギアの柔軟なカップリングのアプリケーションケースで特に顕著です。


駆動シャフトがトルクをハブの1つに送信すると、ハブ上の外歯がナイロン内部ギアスリーブの内部歯と正確にメッシュし、ナイロン内部ギアスリーブはドライブシャフトに接続された他のハブにパワーをスムーズに送信します。シャフトシステムに角度、平行、または軸方向の不整列がある労働条件下でも、このメッシュ化透過メカニズムは、機器の安定した動作を確保することができます。したがって、自動生産ラインの伝送システム、ポンプ機器の電力接続、コンベアの駆動装置など、信頼できる柔軟なギアの結合ソリューションを必要とするフィールドでは、NLタイプのナイロンギアフレキシブルカップリングが好ましい製品です。


NLタイプのナイロンギアフレキシブルカップリング自体で使用されるナイロン材料は、優れた弾力性と減衰特性を備えており、それに関連する機械装置の摩耗を減らすだけでなく、伝送システム全体のサービス寿命も拡大します。 Raydafonは、プロのギアカップリングメーカーとして、NLタイプのカップリングを生産する際に高度な材料を選択し、製造プロセスを最適化し、さまざまな業界で複雑な労働条件下で優れたパフォーマンスを維持できるようにします。たとえば、さまざまな負荷を扱うシナリオでは、Raydafonが生成するNLタイプのナイロンギアフレキシブルカップリングは、シャフトシステムの不整合によって引き起こされる伝送障害を回避し、機器のダウンタイムを削減するために、優れた整列補償機能に依存できます。


NLタイプのナイロンギアを柔軟なカップリングを維持するために、安定した作業効率を維持するために、毎日のメンテナンスが不可欠です。合理的な潤滑は、ギアの歯のメッシュ中の摩擦損失を減らし、結合の動作安定性をさらに改善し、故障の可能性を低下させる可能性があります。一般に、NLタイプのナイロンギアフレキシブルカップリングの動作原理は、剛性ハブと柔軟なナイロンスリーブの相乗効果を介した伝送システムの柔軟性と安定性を考慮しながら、強力なトルク伝達を実現することです。経験豊富なギアカップリングサプライヤーとして、Raydafonは常に厳格な基準で製品の精度と信頼性を制御し、さまざまな業界の顧客にNL Type Nylon Gearの柔軟なカップリング製品を強力な適応性と耐久性を提供します。



gear flexible coupling


製品機能

NLタイプのナイロンギアフレキシブルカップリングは、要求の厳しい機械的シナリオにおいて高性能アプリケーション向けに特別に設計されています。安定したパワートランスミッションを保証しながら、シャフトの不整合に柔軟に対応し、ナイロンスリーブギアのカップリングのカテゴリで非常に競争力のあるオプションになります。このカップリングの重要なデザインのハイライトは、高強度のナイロンスリーブにあります。これは、カップリングに優れた弾性変形能力を延長するだけでなく、全体的な構造の耐久性を大幅に向上させます。これにより、産業機器の重要な柔軟なナイロンスリーブギアカップリングコンポーネントとして特に適しています。


トルク伝達能力の観点から、NLタイプのナイロンギアフレキシブルカップリングは、優れたパフォーマンスを提供し、高トルクの負荷要件を簡単に処理できます。大量の工作機械、鉱業機械、または大規模なコンベア装置であっても、これらはすべて電力伝達に高い信頼性を必要としますが、安定して動作し、多数の高トルクの労働条件で好ましい高トルクナイロンギアカップリングモデルとしての地位を確立します。機械操作中のシャフトの不整合の一般的な問題に対処する場合、この柔軟なナイロンギアカップリングは、優れた適応性も示しています。角の不整合、並列の不整合、軸方向の不整合を効果的に吸収して補償し、それにより、接続されたシャフトに対する追加のストレスを大幅に減らし、伝送システム全体のサービス寿命を拡大するのに役立ちます。この機能は、長期的な継続的な動作を必要とする生産機器にとって特に重要です。


さらに、NLタイプのナイロンギアフレキシブルカップリングのナイロン材料は、本質的に優れた衝撃吸収と緩衝特性を持っています。機器の操作中に、振動とショックの影響を効果的に減らし、伝送システムのより滑らかな動作を確保できます。その結果、頻繁な振動を伴う動的な作業条件では、多くの企業にとって好ましい衝撃吸収ナイロンギアカップリングソリューションになりました。腐食抵抗の観点から、ナイロンスリーブの優れた化学腐食抵抗に加えて、このカップリングの金属成分は特別な処理を受け、湿気、ほこり、またはわずかに腐食性の環境で安定した操作を可能にします。従来の剛性のカップリングと比較して、厳しい労働条件でより強力な適応性を示し、耐久性のあるナイロンギアカップリングの産業部門の要件を完全に満たしています。


操作とメンテナンスの観点から見ると、NLタイプのナイロンギアフレキシブルカップリングは、メンテナンスのない設計を採用しています。頻繁な潤滑剤の追加または調整の必要性を排除します。これにより、毎日のメンテナンスのワークロードが削減されるだけでなく、不適切なメンテナンスによって引き起こされる機器の故障のリスクも低下します。これにより、運用コストとダウンタイムが効果的に制御され、メンテナンスの低い柔軟なギアカップリングの効率的で低消費生産を追求する産業の選択基準と完全に整合します。一方、その全体的な構造は軽量でコンパクトで、シンプルで迅速なインストールと分解を促進します。スペースが限られている機器のレイアウトでさえ、このコンパクトなナイロンギアカップリングのアセンブリを簡単に完了することができ、機器の設置とメンテナンスの効率をさらに改善できます。


要約すると、NLタイプのナイロンギアの柔軟なカップリングをトランスミッションシステムに統合すると、機器のより安定した効率的な運用サポートが得られます。特に、高精度の伝送が必要な精密製造分野では、この高性能のナイロンスリーブギアカップリングは、最適化された設計で、機器の全体的なパフォーマンスを向上させる重要なコンポーネントとしての伝送精度、信頼性、適応性に対する複数の要求を適切に満たしています。

flexible coupling

製品アプリケーション

NLタイプのナイロンギアフレキシブルカップリングは、安定した電力伝達を必要とするあらゆる種類の機械セットアップの頼りになる送信部品として機能します。際立っているのはナイロンスリーブです。振動を吸収して小さなシャフトの不整合を修正するのがちょうど右に曲がっているため、部品を速すぎずに信頼できるトルクの動きを必要とするギアカップリングの使用に最適です。


たとえば、産業機械を取ります。この結合は、ポンプやコンプレッサーにモーターを接続するのに最適です。これらのマシンが実行されると、多くの場合、システムに突然の衝撃負荷を送信しますが、NLタイプのナイロンギアの柔軟なカップリングはその影響を和らげ、セットアップ全体が長持ちするのに役立ちます。また、コンベアライン(工場で材料を止めないもの)では、この産業用ナイロンスリーブギアのカップリングは、負荷が変化しても物事を滑らかにし続けます。頻繁に壊れる古い剛性のカップリングとは異なり、これはダウンタイムとあなたが物事を修正するために費やすお金を削減します。


自動車と輸送の世界は、特にドライブシャフトとステアリング部品にも使用しています。車やトラックは、動くときに多くのねじれた振動を扱う必要がありますが、自動車ドライブのこの柔軟なギアカップリングはそれらを吸収します。それは車両の走行をより良くするだけでなく、より安全に走るだけでなく、奇妙な揺れがステアリングを投げたり、ドライブ列車をすり減ったりすることはありません。


CNCマシンや産業用ロボットなど、Precision Gearカップリングの使用に関しては、この結合は本当に輝いています。これらのマシンは高速で回転し、非常に正確な動きが必要ですが、小さなシャフトの不整合(角度や平行シフトなど)でさえ、物事を台無しにする可能性があります。 NLタイプのナイロンギアフレキシブルカップリングは、高速に追いついている間、これらの問題を修正します。そのため、自動化された組立ラインを構築する非常に多くの企業が、カスタムセットアップが必要な場合に、精密CNC機器のこのナイロンギアカップリングを探しています。


また、HVACシステムや水処理プラントにもあります。それらの場所はファンとブロワーを非常に多く使用し、それらの部分があまりにも多すぎると、大声で壊れます。 HVACファン向けのこの振動減衰の柔軟なギアのカップリングは、ノイズを抑え、機器が安定して実行され、暖房/冷却や水処理プロセスの予期せぬ停止はありません。


全体として、NLタイプのナイロンギアフレキシブルカップリングは、ほとんどすべての業界にとって予算に優しい選択です。困難で、インストールが簡単で、仕事を終わらせます。信頼性の高い産業用品カップリングサプライヤーを探している場合、Raydafonはあなたの正確なニーズに合ったカスタムオプションであなたを接続できます。したがって、最高のパフォーマンスと長期にわたる部分を得ることができます。


application


カスタマーレビュー

wang王レイ、機械エンジニア、広州Machinery Co.、Ltd。

RaydafonのNLタイプのNylon Gear Flexible Couplingは、しばらくの間、組み立てラインに柔軟なカップリングを行いました。これは安定したパフォーマーでした。ナイロンギアのデザインはここで傑出しています。トルクをスムーズに動かし、ぎくしゃくした移動はなく、マシンの実行方法の違いを実際に伝えることができます。

インストールも完全なそよ風でした。機器には余分なスペースがあまりありませんが、このカップリングは箱から出てすぐに完全に収まります。何も変更する必要はありません。ノンストップで実行されており、摩耗の兆候はほとんどありません。その耐久性は、生産を停止して、それを頻繁に修正または交換しないことを意味します。全体として、それは私たちが必要とすることを正確に行う堅実で費用対効果の高い選択です。


⭐⭐⭐⭐⭐米国シカゴ産業ソリューションズのプラントマネージャー、ジョンスミス

私たちは、私たちのシカゴ施設でレイダフォンのNLタイプのナイロンギア1の古い金属カップリングを交換しました。変化は昼と昼でした。パーツをゆるめるために使用した振動?消えた。古いカップリングからの大きなハム?静かに静かになったのは、床が落ち着いていると感じています。と電力転送?重い負荷を実行している場合でも、できる限り滑らかです。

さらに、それは、これまでの金属よりも不整合をうまく処理します。物事を順調に進めるために毎週それを微調整することはありません。レイダフォンも私たちに速く手に入れました。配達は予定通りであり、品質の一流は、安い部品や見掛け倒しの仕事ではありませんでした。私はすでに他の数人の植物管理者にそれについて話しました。これは、言葉を渡したい製品の種類です。


⭐⭐⭐⭐⭐アンナミュラー、メンテナンススーパーバイザー、ミュンヘンエンジニアリング、ドイツ

数か月前にレイダフォンのNLタイプのカップリングを高速機械に入れました。これは、チームにとってゲームチェンジャーでした。ナイロンギア素材はスマートコールです。金属ほど速く摩耗していないため、頻繁に部品を交換することはなく、静かになります。それは小さく聞こえるかもしれませんが、静かな店はチームにとって疲労が少なく、機器をチェックするときの気晴らしを意味します。

高速ランニングに伴うわずかなシフトを処理するのに十分な柔軟性がありますが、曲げたり壊れたりすることではなく、圧力をかけ続けるのに十分な強さです。インストールも簡単でした。私たちの技術者は、複雑な指示はありませんでした。インストールして以来、マシン停留所がはるかに少なくなり、すべてがスムーズに動作します。 Raydafonは、私たちが期待できるサプライヤーであることが証明されています。驚きはありません。


⭐⭐⭐⭐⭐カルロス・マルティネス、マドリッド・マニュファクチャリング・コーポレーションのオペレーションディレクター、スペイン

RaydafonのNLタイプのNylon Gear Flexible Couplingは、まさに私たちが探していた高品質の製品です。私たちはそれを生産ラインに追加して、振動を削減し、効率を高めることを望んでいます。両方のカウントで提供されましたが、質問はありませんでした。ナイロンギアは、物事をスムーズに走らせるための適切な量の柔軟性を与えますが、強さを犠牲にすることはありません。

コンパクトでもありますが、これは私たちのセットアップにとって大きなプラスです。余分なスペースはあまりありません。この結合は、他の部分を混雑させることなく適合します。私たちは今何ヶ月もそれを使用してきましたが、問題はありませんでした。故障でも、奇妙な音も一貫したパフォーマンスもありません。製品自体とRaydafonから得た素晴らしいサービスの間で、私たちは満足しています。これはキーパーです。

universal coupling factory


ホットタグ: ギアカップリング
お問い合わせを送信
連絡先情報
油圧シリンダー、ギアボックス、PTOシャフト、または価格表に関するお問い合わせについては、メールをお届けしてください。24時間以内に連絡してください。
X
We use cookies to offer you a better browsing experience, analyze site traffic and personalize content. By using this site, you agree to our use of cookies. Privacy Policy
Reject Accept