QRコード
お問い合わせ


ファックス
+86-574-87168065


住所
中国、ニンボ市、ゼンハイ地区のルオツオ工業地域
RaydafonのSWC-WD SHORT FLEX FLANGEタイプのユニバーサルカップリングは、トルクを重機で効率的に移動するように構築されています。 180mmから1320mmの範囲の回転直径を備えた、コンパクトで非テレスコピックフランジデザインがあります。この短いフランジユニバーサルカップリングは、最大15度までの角度の不整合と16000 kNのトルクを処理できます。そのため、部屋があまりないタイトなスペースでも、電力伝達を確実に維持します。ボルトを必要としないベアリング構造を備えた高強度35CRMOスチールからそれを作ります。これは、重機の普遍的なカップリングに最適で、産業用途向けの非テレスコピック普遍的なカップリングです。それはあまり維持する必要はなく、永遠に続くことはありません。それはまさに厳しいセットアップで必要なものです。
中国の製造業はISO 9001の基準に従っているため、SWC-WDユニバーサルカップリングは過酷な条件で耐えます。クロスシャフトは腐食に抵抗するためにクロムメッキされており、その靭性を増します。その剛性のある溶接フランジ設計により、特に軸方向の動きがかなり最小限の冶金や鉱業機器の設置が簡単になります。お客様のニーズに合わせてサイズをカスタマイズできます。そのため、この耐久性のある短いユニバーサルカップリングは、クレーンシステムやその他の頑丈な仕事のカスタムユニバーサルカップリングとしてうまく機能します。そして、価格も競争力があります。 Raydafonの正確な職人技とは、ダウンタイムが減り、より信頼性の高い機器を意味します。世界中の産業オペレーターが頼りになる可能性があります。
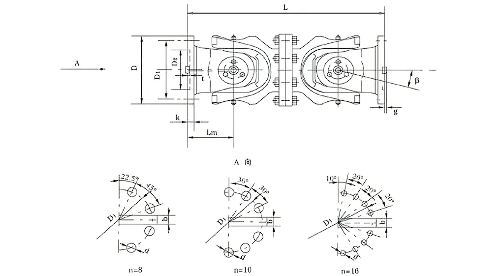
| いいえ。 | 回転直径d mm | 公称トルク TN kn・m | 軸の折りたたみ角 β (°) | 疲れたトルク TF kn・m | サイズ(mm) | 体重(kg) | |||||||||
| lmin | D1 (JS11) | D2 (H7) | lm | n-d | k | t | b (H9) | g | lmin | 増加 100mm | |||||
| SWC180WD | 180 | 12.5 | 6.3 | ≤25 | 440 | 155 | 105 | 110 | 8-17 | 17 | 5 | - | - | 0.145 | 52 |
| SWC225WD | 225 | 40 | 20 | ≤15 | 480 | 196 | 135 | 120 | 8-17 | 20 | 5 | 32 | 9.0 | 0.355 | 82 |
| SWC250WD | 250 | 63 | 31.5 | 560 | 218 | 150 | 140 | 8-19 | 25 | 6 | 40 | 12.5 | 0.831 | 127 | |
| SWC285WD | 285 | 90 | 45 | 640 | 245 | 170 | 160 | 8-21 | 27 | 7 | 40 | 15.0 | 1.715 | 189 | |
| SWC315WD | 315 | 125 | 63 | 720 | 280 | 185 | 180 | 10-23 | 32 | 8 | 40 | 15.0 | 2.820 | 270 | |
| SWC350WD | 350 | 180 | 90 | 776 | 310 | 210 | 194 | 10-23 | 35 | 8 | 50 | 16.0 | 4.791 | 370 | |
| SWC390WD | 390 | 250 | 125 | 860 | 345 | 235 | 215 | 10-25 | 40 | 8 | 70 | 18.0 | 8.229 | 524 | |
| SWC440WD | 440 | 355 | 180 | 1040 | 390 | 255 | 260 | 16-28 | 42 | 10 | 80 | 20.0 | 15.320 | 798 | |
| SWC490WD | 490 | 500 | 250 | 1080 | 435 | 275 | 270 | 16-31 | 47 | 12 | 90 | 22.5 | 25.740 | 1055 | |
| SWC550WD | 550 | 710 | 355 | 1220 | 492 | 320 | 305 | 16-31 | 50 | 12 | 100 | 22.5 | 46.780 | 1524 | |
| SWC620WD | 620 | 1000 | 500 | 1360 | 555 | 380 | 340 | 10-38 | 55 | 12 | 100 | 25.0 | 83.760 | 2120 | |
*1。TF-UNDER交互の負荷疲労強度に応じて許容するトルクを積み込みます。
RaydafonのSWCユニバーサルジョイントカップリング(通常、SWCカルダンシャフトユニバーサルジョイントカップリングと呼ばれる)は、単なる一部ではありません。ローリングミル、巻き上げ装置、あらゆる種類の丈夫な重機のセットアップなど、頑丈な産業分野では必須アイデアです。ハイトルクユニバーサルジョイントカップリングとして、完全に整列していない2つのトランスミッションシャフトをリンクする強固なジョブを行い、作業条件が本当に厳しい場合でもパワーがスムーズに配信されるようにします。
そのコア仕様について説明しましょう。旋回直径はφ58からφ620の範囲、公称トルクは0.15から1000 kN・m、軸の折り畳み角度は25°以下です。
このカップリングは、ローリングミル操作のための信頼性の高い頑丈なユニバーサルジョイントカップリングや、リフティングおよび材料ハンドリング装置における耐久性のあるSWCユニバーサルジョイントシャフトカップリングが必要な場合など、特定の場所で最適に機能します。これらの場合、それはその強さを示しています。大きなストレスの下でも、運用を安定させ、混乱や故障はありません。
RaydafonのSWCユニバーサルジョイントカップリングは、一緒に投げられるだけではありません。スマートで最新のエンジニアリングで構築されており、産業用に長く耐えるために働きます。その構造を際立たせるものを歩きましょう。
まず、合理的で安全な構成を備えています。この産業普遍的な関節カップリングには、ボルトが緩んだり壊れたりするなどのリスクを削減する統合フォークヘッドデザインを使用しました。その微調整だけで全体的に30%〜50%頑丈になるため、安全かつ一貫して実行されます。通常のカップリングと比較して、それはより長く続き、ハイテンションスポットの一般的な問題を回避します。
次に、荷重を強化する能力が強化されています。このSWCの頑丈なユニバーサルジョイントカップリングは、大きなウェイトを処理するために作られているため、マイニングギアや建設機など、一流の負荷処理を必要とする場所では必須です。
また、高いトランスミッション効率を獲得します。これは、98.6%です。大規模な送電のための効率的な普遍的な共同結合として、それはエネルギーの使用とそれに伴うコストを削減します。そのため、高出力の産業トランスミッションセットアップにおける省エネ普及普遍的な共同カップリングソリューションのトップピックです。
また、低ノイズで滑らかになります。トランスミッションは安定しており、通常は30〜40 dB(a)の間にノイズが鳴ります。この低雑音のユニバーサルジョイントカップリングは、操作を静かに保ちます。これは、騒音が問題である産業スポットに最適です。
henan hanan鉱物装置Co.、Ltd。
私たちは、レイダフォンのSWC-WDショートを、マイニング機械にフレックスフランジタイプのユニバーサルカップリングなしで配置していますが、それは完璧なフィットでした。そのコンパクトなデザインは、余裕があまりないタイトなスペースに必要なものであり、ビルドは運用を安定させるのに十分なほど困難です。頑丈な条件下でノンストップで実行されている場合でも、この結合は私たちを決して失望させません。失敗はまったくありません。私たちのメンテナンスチームは、チェックインする必要がほとんどないことを気に入っているため、余分な手間をかけずに生産をスムーズに動かし続けることができます。
⭐⭐⭐⭐⭐米国テキサススチールワークスのオペレーションマネージャー、マイケルブラウン
私たちのテキサスワークショップは、レイダフォンからのフレックスフランジタイプのユニバーサルカップリングなしでSWC-WDショートを注文しました。正直なところ、品質は私たちを吹き飛ばしました。カップリングは非常によく機械加工されており、それらを取り付けることはシンチであり、負荷がかかっていても確実に保持します。何が私に一番突き出したのですか?価格とパフォーマンスのバランスがどれだけ良いか、そのスイートスポットを見つけることはあまりありません。このレベルの品質を一貫して提供するサプライヤーを見つけるのは簡単ではありませんが、Raydafonは彼らが私たちにとって信頼できるパートナーであることを絶対に証明しています。
AnnaMüller、メンテナンススーパーバイザー、ベルリン産業ソリューション、ドイツ
ベルリンの機器ラインにフレックスフランジタイプのユニバーサルカップリングなしでレイダフォンのSWC-WDショートを配置しましたが、結果は素晴らしいものでした。製品自体は堅実に感じられ、溶接は正確であり、ここでは見掛け倒しの仕事はありません - これまでのところ、それは非常によく持ち上げられており、一流の耐久性を示しています。ここヨーロッパで使用した他のブランドと比較して、この結合はより信頼性が高く、価格もより競争力があります。他の企業が信頼できる普遍的なカップリングを探している場合は、Raydafonを絶対にお勧めします。
Flex FlangeタイプなしのRaydafonのSWC-WDショートユニバーサルカップリング(多くの場合、SWCカルダンシャフトユニバーサルジョイントカップリングと呼ばれる)は、スペースが限られており、固定長設計(望遠鏡拡張)が必要なタイトな産業用スポット用に構築されています。高トルクのユニバーサルジョイントカップリングとして、整列していないシャフト間でトルクを効率的に動かし、角度偏差を最大25度まで処理し、頑丈な環境でも信頼できるままです。
その重要な機能について説明しましょう。コンパクトで剛性のある構造があります。これは短くて柔軟なフランジセットアップにより、ローリングミルの動作に信頼性の高い頑丈なユニバーサルジョイントカップリングになり、軸方向の動きが最小限のセットアップの安定性が高まります。そのため、厳しい機械の固定距離接続に非常に適しています。その後、その高い負荷を負担する能力があります。鋳鉄や合金鋼などの丈夫な材料を使用してそれを作るので、リフティングおよび材料ハンドリング装置における耐久性のあるSWCユニバーサルジョイントシャフトカップリングです。大きな重量を保持し、同じ直径の他のカップリングよりも多くのトルクを送信するため、マイニングや建設用ギアの重い負荷に最適です。
この産業の普遍的な共同結合は、角度の不整合を非常によく補償します。角度、平行、または軸の不整合であろうと、回転速度やトルクの伝達を台無しにしません。それは、重機の普遍的な共同結合システムでの滑らかな動作を意味します。また、電力伝達において効率的です。最大98.6%の効率を達成すると、このSWCの大量のユニバーサルジョイントカップリングはエネルギーの損失を低く抑え、高出力産業セットアップにおける大規模な電力トランスミッションの効率的な普遍的な共同結合となります。
さらに、エネルギーを節約して静かに走るように設計されています。省エネ省の普遍的な共同カップリングソリューションが必要な場合、これはトップピックで、運用コストを削減します。そして、それは30〜40 dB(a)の間に騒音を維持するため、この低ノイズの普遍的な関節結合は、騒音が懸念される産業スポットにまさに適合します。
この結合は、ローリングミルの操作のための信頼性の高い頑丈なユニバーサルジョイントカップリングや、リフティングおよび材料処理装置における耐久性のあるSWCユニバーサルジョイントシャフトカップリングが必要な場合など、特定のシナリオで実際に輝いています。これらの場合、極端な負荷と限られたスペースがあっても、操作を安定させ、しゃっくりはありません。
産業用ユニバーサル共同カップリングアプリケーションに関しては、SWC-WDバリアントは、パフォーマンスを向上させ、長持ちするスマートエンジニアリングで際立っています。その重要な構造について話しましょう。統合されたフォークヘッドデザインを備えた合理的で安全なセットアップがあります。これは、ボルトが緩んだり壊れたりするなどの問題を取り除き、全体的な強度を30%〜50%増やします。つまり、安全かつ確実に動作し、古いスタイルのモデルよりも長く続き、重機のユニバーサルジョイントカップリングシステムのような高ストレスの場所での一般的な故障を回避します。
さらに、より多くの負荷を処理することができます。重い重量をサポートするために構築したため、このSWCの頑丈なユニバーサルジョイントカップリングは、鉱業や建設機器などの困難な負荷処理が必要な場所に最適です。また、パワーを非常に効率的に移動し、最大98.6%の伝送効率に達します。大規模な送電のための効率的な普遍的な関節結合として、それはエネルギーの使用とそれに伴うコストを削減し、高出力産業トランスミッションセットアップにおける省エネ省の普遍的な共同カップリングソリューションのトップピックになります。
そして、それはほとんどノイズで滑らかに動きます - 移動は安定したままであり、騒音は通常30〜40 dB(a)の間にとどまります。この低雑音のユニバーサルジョイントカップリングは、操作を静かに保ちます。これは、騒音が問題である産業スポットに最適であり、すべての信頼性を高レベルに保ちます。
Raydafonは、トランスミッションパーツの単なる名前ではなく、高性能伝送コンポーネントと産業機械ソリューションの大手メーカーおよびサプライヤーであり、SWC Cardan Shaft Universal Joint Couplingなどの製品に焦点を当てています。私たちは、グローバルな産業が進化するにつれて必要なものに追いつくために始めました。時間の経過とともに、ギアボックス、ドライブシャフト、油圧シリンダー、プーリー、精密機械工場など、フルラインナップを構築しました。私たちはイノベーションに大きくなっているため、ローリングミルの操作に信頼できる頑丈なユニバーサルジョイントカップリングを提供できるのです。
当社の施設も一流です。CNCワークショップ、研削および熱処理装置、高度な3D測定システムがあります。 ISO9001/TS16949のような厳格な品質基準に固執しています。このセットアップにより、トルクを大きく動かし、プロのように不整合を処理する高トルクユニバーサルジョイントカップリングソリューションを作成できます。耐久性のあるSWCユニバーサルジョイントシャフトカップリングを持ち上げや材料処理機器など、たとえば、困難な負荷を負担する必要がある場所のために構築されています。そして、私たちの産業普遍的な共同カップリングライン?精度と頑丈さが最も重要なあらゆる種類の用途をカバーしています。
米国、ドイツ、日本、イタリア、マレーシア、オーストラリア、中東などの場所に属します。中国、韓国、英国、シンガポール、米国、スペインにも強力なネットワークがあるので、世界中で堅実です。そのリーチにより、カスタマイズされたSWCヘビーデューティユニバーサルジョイントカップリングオプションを提供できます。クライアントが必要とするものに正確に使用されています。
私たちは、持続可能性と顧客を最優先するソリューションを作ることに関心があります。そのため、最大98.6%のトランスミッション効率を達成する省エネ普通の共同結合ソリューションを開発しました。大規模な電力トランスミッションのための効率的なユニバーサルジョイントカップリングが必要であるか、騒音が問題になっている産業スポットの低ノイズユニバーサルジョイントカップリングが必要かどうかにかかわらず、当社の製品には完全なアフターセールスサービスが付属しています。それが、私たちがトランスミッション業界で信頼できるパートナーになった理由です。部品を販売するだけでなく、バックアップします。
住所
中国、ニンボ市、ゼンハイ地区のルオツオ工業地域
Eメール


+86-574-87168065


中国、ニンボ市、ゼンハイ地区のルオツオ工業地域
Copyright©Raydafon Technology Group Co.、限られたすべての権利予約。
Links | Sitemap | RSS | XML | Privacy Policy |
