QRコード
お問い合わせ


ファックス
+86-574-87168065


住所
中国、ニンボ市、ゼンハイ地区のルオツオ工業地域
RaydafonのSWC-BF標準フレックスフランジタイプのユニバーサルカップリングは、トルクを重機で確実に移動するように構築されています。ローリングミル、ペーパー作成機器、産業用ドライブ、タフなパフォーマンスが必要なすべてのセットアップです。柔軟なフランジ設計で、ガイレーション径は180mmから620mmの範囲であり、この標準のフレックスユニバーサルカップリングは、角度の不整合を最大15度の角整列に加えて1250 kN・mのトルクを処理します。要求の厳しい職場環境でさえ、それは安定して走り続け、ドロップオフはありません。高強度の35CRMOスチールと精密針ベアリングを使用して作成するため、産業機械の普遍的なカップリングと重機のフレックスフランジカップリングとして完璧です。モーブのパワーは強く、振動はほとんど気付かないことに気付きます。
中国の製造業はISO 9001の基準に従っているため、SWC-BFユニバーサルカップリングは長持ちし、腐食に抵抗します。フランジ接続により、インストールが簡単になります。これは、冶金、マイニング、造船などのフィールドで大きな助けになります。サイズとトルクの評価もカスタマイズできます。そのため、この耐久性のあるフレックスユニバーサルカップリングは、ローリングミルやその他の産業ニーズのカスタムユニバーサルカップリングとしてうまく機能します。そして、価格は競争力があり、過充電はありません。 Raydafonのノウハウは、メンテナンスに費やす時間が短くなり、機器がより信頼性を維持することを意味します。世界中のオペレーターが頼りになる可能性があります。
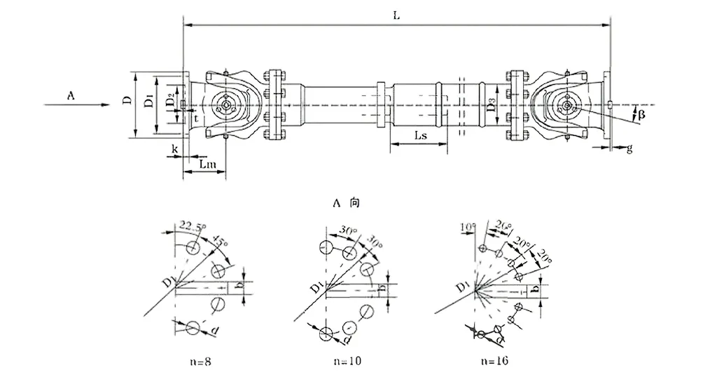
| いいえ。 | 回転直径d mm | 公称トルク TN kn・m | 軸の折りたたみ角 β (°) | 疲れたトルク TF kn・m | フレックス量 LS MM | サイズ(mm) | 回転慣性 KG.M2 | 体重(kg) | |||||||||||
| lmin | D1 (JS11) | D2 (H7) | D3 | lm | n-d | k | t | b (H9) | g | lmin | 増加 100mm | lmin | 増加 100mm | ||||||
| SWC180bf | 180 | 12.5 | 6.3 | ≤25 | 100 | 810 | 155 | 105 | 114 | 110 | 8-17 | 17 | 5 | -1.455 | - | 0.27 | 0.0070 | 80 | 2.8 |
| SWC225BF | 225 | 40 | 20 | ≤15 | 140 | 920 | 196 | 135 | 152 | 120 | 8-17 | 20 | 5 | 32 | 9 | 0.79 | 0.0234 | 138 | 4.9 |
| SWC250bf | 250 | 63 | 31.5 | 1035 | 218 | 150 | 168 | 140 | 8-19 | 25 | 6 | 40 | 12.5 | 1.46 | 0.0277 | 196 | 5.3 | ||
| SWC285BF | 285 | 90 | 45 | 1190 | 245 | 170 | 194 | 160 | 8-21 | 27 | 7 | 40 | 15 | 2.87 | 0.0510 | 295 | 6.3 | ||
| SWC315BF | 315 | 125 | 63 | 1315 | 280 | 185 | 219 | 180 | 10-23 | 32 | 8 | 40 | 15 | 5.09 | 0.0795 | 428 | 8.0 | ||
| SWC350bf | 350 | 180 | 90 | 150 | 1410 | 310 | 210 | 267 | 194 | 10-23 | 35 | 8 | 50 | 16 | 9.20 | 0.2219 | 632 | 15.0 | |
| SWC390bf | 390 | 250 | 125 | 170 | 1590 | 345 | 235 | 267 | 215 | 10-25 | 40 | 8 | 70 | 18 | 16.62 | 0.2219 | 817 | 15.0 | |
| SWC440bf | 440 | 355 | 180 | 190 | 1875 | 390 | 255 | 325 | 260 | 16-28 | 42 | 10 | 80 | 20 | 28.24 | 0.4744 | 1290 | 21.7 | |
| SWC490bf | 490 | 500 | 250 | 190 | 1985 | 435 | 275 | 325 | 270 | 16-31 | 47 | 12 | 90 | 22.5 | 46.33 | 0.4744 | 1631 | 21.7 | |
| SWC550bf | 550 | 710 | 355 | 240 | 2300 | 492 | 320 | 426 | 305 | 16-31 | 50 | 12 | 100 | 22.5 | 86.98 | 1.3570 | 2567 | 34.0 | |
| SWC620BF | 620 | 1000 | 500 | 240 | 2500 | 555 | 380 | 426 | 340 | 10-38 | 55 | 12 | 100 | 25 | 147.50 | 1.3570 | 3267 | 34.0 | |
ユニバーサルカップリングは、ユニバーサルジョイントカップリングとも呼ばれますが、完全に並ぶことのない2つのシャフト間でトルクと回転運動を移動する機械的部分です。さまざまな産業用途で電力伝達を効率的に保ちながら、角度、軸方向、および放射状の不整合を処理します。 Raydafonでは、SWCカルダンシャフトユニバーサルジョイントカップリングシリーズは、ここでは一流のエンジニアリングの代表的な例です。
普遍的な共同結合の主なタイプを分解しましょう:
最初は単一のユニバーサルジョイントです。 2つのヨークを接続する1つのクロス型のピボットがあり、シャフトに角度の不整合が最大45度まであります。速度の変化を引き起こす可能性がありますが、中程度のオフセットを備えたセットアップに適しています。 Raydafonの信頼性の高い頑丈なユニバーサルジョイントカップリングは、ローリングミルオペレーションを使用して、コンパクトビルドで単一の関節設計を使用することが多いため、重い負荷の下でも大きく保持されます。
次に、二重ユニバーサルジョイントがあります。 2つの単一のジョイントがリンクされているため、より大きな不整合を処理し、トランスミッション速度をほぼ一定に保ちます。これは、トリッキーなシャフトセットアップに最適です。リフティングおよび材料処理装置に耐久性のあるSWCユニバーサルジョイントシャフトカップリングが必要な場合、Raydafonの二重関節モデルは安定性を高め、ストレスの高い産業用ユニバーサルジョイントカップリングシステムの振動を削減します。
次は、望遠鏡または拡張可能なユニバーサルジョイントです。スプラインまたはスライディングパーツがあり、長さを調整しながら、動的なセットアップで軸方向の動きに役立つ不整合を補正します。 RaydafonのSWCヘビーデューティユニバーサルジョイントカップリングには、望遠鏡オプションが含まれています。これらは、鉱山や建設現場などの大規模な電力伝送の効率的なユニバーサルジョイントカップリングとして機能し、シャフトの長さの柔軟性が必要です。
また、固体、退屈、またはスプラインドハブタイプもあります。これらはどのように接続するかによって異なります。固体のハブには穴がなく、退屈したハブには丸い、六角形、または正方形の開口部があり、スプラインされたハブには毛がぴったりです。省エネの普遍的な共同カップリングソリューションのために、Raydafonは、低ノイズのユニバーサルジョイントカップリングラインナップにスプライドされたデザインを提供します。トルク送達を最適化し、敏感な工業スポットで騒音を30〜40 dB(a)に減らします。
SWCシリーズを含むRaydafonのユニバーサルジョイントカップリングは、統合されたフォークヘッドデザインで作られています。これにより、ボルト関連の問題はありません。これにより、強度が30%〜50%増加し、最大98.6%の伝送効率に達します。これらの機能により、当社の製品は、カスタマイズされた高性能ソリューションを必要とする専門家にとって最大の選択肢になります。
ユニバーサルカップリング - レイダフォンのSWCカルダンシャフトユニバーサルジョイントカップリングを代表的な例として獲得する - 産業用トランスミッションシステムに大きな利益をもたらします。それらは、整列されていないシャフト間でトルクを効果的に移動し、あらゆる種類の逸脱を処理します。また、困難な環境で操作をスムーズに走らせるためには必須です。
彼らの主な利点に飛びつきましょう。まず、彼らは不整合を補うのが得意です。ユニバーサルカップリングは、最大25度までの角度、軸、および放射状の不整列を処理するため、ローリングミルの動作のための信頼できる頑丈なユニバーサルジョイントカップリングになります。彼らは、機械的なストレスや振動をあまりにも追加せずにこれを行いますので、機械は保護されたままです。
それから、彼らの厳しい耐久性と長いサービスライフがあります。これらのカップリングを統合されたフォークヘッドデザインと高強度材料で構築します。これは、ボルトが緩んだり破壊したり、構造の完全性を30%〜50%強化するなどのリスクを削減します。そのため、耐久性のあるSWCユニバーサルジョイントシャフトカップリングと材料処理機器のカップリングは、過酷な条件で長いストレッチのために非常にうまく機能します。それは従来のモデルよりも長いショットで長持ちします。
また、一流の負荷を負担し、トルク容量を持っています。重い重量を保持し、公称トルクを0.15から1000 kN・mに伝達するように設計されているため、産業普遍的な結合は、重機のユニバーサルジョイントカップリングシステムに輝いています。これらのセットアップでは、極端な負荷での一貫したパフォーマンスはメイクまたはブレイクされており、この結合は毎回提供されます。
送電効率に関しては、打ち負かすのが難しいです。最大98.6%の効率を達成すると、SWCの頑丈なユニバーサルジョイントカップリングはエネルギー損失を低く抑えます。これにより、高出力産業用アプリケーションにおける大規模な電力伝送のための効率的な普遍的な共同結合となり、時間の経過とともに、その効率は実際のコスト削減につながります。
最後になりましたが、彼らはエネルギーを節約し、静かに走ります。省エネ省の普遍的な共同カップリングソリューションとして、彼らは電力の使用を削減し、わずか30〜40 dB(a)で動作します。この低雑音のユニバーサルジョイントカップリングは、騒音が懸念される産業スポットに最適です。大音量の操作なしで必要なすべての信頼性を得ることができます。
普遍的なカップリング - ほとんどの人は、「ユニバーサルの共同カップリングと呼んでいます) - シンプルだが効果的な機械的アイデアに取り組んでいます。それらは、完全に並んでいない2つのシャフト間でトルクと回転運動を動かし、角度、軸、およびラジアルの不整合をビートをスキップせずに処理します。たとえば、RaydafonのSWCカルダンシャフトユニバーサルジョイントカップリングをご覧ください。この原則の素晴らしいショーケースです。それは、各シャフトのヨークを接続するためにクロス型のピボット(頻繁にそれをクモと呼ぶ)を使用しているため、忙しい産業セットアップでもパワーはスムーズに転送されます。
それがどのように機能するかの中心は、クロスピボットです。それは、ヨークを独立して回転させることができます。この高トルクのユニバーサルジョイントカップリングは、特にダブルジョイントデザインの場合、回転速度の変化を最小限に抑えているため、ローリングミル操作に信頼できる頑丈なユニバーサルジョイントカップリングが必要なジョブに最適です。また、RaydafonのSWCシリーズを使用して、このメカニズムをさらに改善するために統合フォークヘッドデザインを追加しました。ボルトが緩んでいるなどの問題を取り除き、構造強度を30%〜50%高め、ストレスの高い場所で長持ちするのに役立ちます。
この原則は、優れた負荷を負担する能力もサポートしています。カップリングは、0.15から1000 kN・mの公称トルクを処理し、φ58とφ620の間の回転直径を備えています。そのため、リフティングおよび材料ハンドリング機器における耐久性のあるSWCユニバーサルジョイントシャフトの結合は、困難な操作のための堅実なピックです。さらに、産業のユニバーサルジョイントカップリングは最大98.6%の伝送効率に達し、重機のユニバーサルジョイントカップリングシステムでのエネルギー使用を削減します。
さらに、RaydafonのSWCヘビーデューティユニバーサルジョイントカップリングには、原則の滑らかな動作に焦点を合わせた機能があります。トランスミッションを安定させ、ノイズは30〜40 dB(a)の間です。これにより、大規模な出力伝達のための効率的な普遍的な関節結合、および高出力産業セットアップのための省エネ省の普遍的な共同カップリングソリューションになります。全体として、この低雑音の普遍的な共同カップリングは物事を静かに保つため、信頼性を犠牲にすることなく、騒音が懸念される場所ではうまく機能します。
jiangsu Power Equipment Co.、Ltd。
RaydafonのSWC-BF Standard Flex Flangeタイプのユニバーサルカップリングを数か月間使用しており、素晴らしいパフォーマンスを発揮しています。最も際立っているのは、このカップリングの柔軟性です。特にシャフトの不整合を補うことに関しては、機械の信頼性を高めました。それをインストールすることはスムーズなプロセスであり、トリッキーなステップはありませんでした。溶接品質もしっかりと見えます。価格については、それは本当に良い価値であり、あなたが重機業界にいるなら、私は絶対にこの柔軟なフランジユニバーサルカップリングをお勧めします。
⭐⭐⭐⭐⭐ジョン・デイビス、Manchester Engineering Ltd.、英国機械エンジニア
マンチェスターの施設では、RaydafonのSWC-BF標準Flex Flangeタイプのユニバーサルカップリングの古いカップリングを交換しました。違いはすぐに明らかでした。この普遍的なカップリングは、ストレスの多い状態で実行している場合でも、パワーをスムーズかつ効率的に動かします。柔軟性がタフなデザインと組み合わされたことで、私たちの機械は断続的に動作し続けます。さらに、Raydafonは私たちに早く配達し、彼らの顧客サービスは一流でした。この信頼できるFlex Flange Universalカップリングを強くお勧めします!
⭐⭐⭐⭐⭐イタリア、ミラノ産業ソリューションのオペレーションマネージャー、マッテオロッシ
私たちは、不整合をうまく処理できる普遍的な結合を探していました。それが、RaydafonのSWC-BF標準フレックスフランジタイプのユニバーサルカップリングを見つけた方法です。私たちは数週間それを使用してきました、そして、私はそれが私たちのすべての箱をチェックすることを確実に言うことができます。インストールは簡単で、余分な面倒ではなく、挑戦的な状況を乗り越えたとしても、それは耐えられます。品質は価格で傑出しています。当社の機械のための賢明な投資です。レイダフォンが私たちに与えてくれた製品とサービスの両方に本当に満足しています。
Raydafonは単なるメーカーではなく、一流の送信コンポーネントと産業機械ソリューションの大手サプライヤーであり、SWC Cardan Shaft Universal Joint Couplingなどの製品に関する深い専門知識を持っています。私たちはコアで革新と品質から始め、時間の経過とともに、ギアボックス、ドライブシャフト、油圧シリンダー、プーリー、および高度な工作機械を含むようにラインナップを成長させました。当社の高トルクユニバーサルジョイントカップリングソリューションは、注意を払って作られており、トルクの移動がスムーズに導入され、ミスアライメントが正しく処理されるようにします。これらは、ローリングミルの運用に信頼できる頑丈なユニバーサルジョイントカップリングを必要とするクライアントにとって絶対的な必需品です。
当社の生産施設は最先端です。CNCワークショップ、研削および熱処理ギア、3D測定システムがあります。 ISO9001/TS16949のような厳格な基準に固執するため、私たちが行うすべての産業的な普遍的な共同カップリングは正確であり、長持ちするように構築されています。たとえば、耐久性のあるSWCユニバーサルジョイントシャフトカップリングや材料処理機器のカップリングを取り上げます。これは、深刻な負荷を負担する場所に最適化されています。そして、私たちのSWCヘビーデューティユニバーサルジョイントカップリング?極端な条件下で安定していることは交渉不可能である重機の普遍的な共同結合システムで問題を解決します。
私たちはグローバルリーチも大きくなっています。当社の製品の80%が、米国、ドイツ、日本、イタリア、マレーシア、オーストラリア、中東などの市場に輸出されています。中国、韓国、英国、シンガポール、米国、スペイン全体に強力なネットワークがあります。これらは、最大98.6%の伝送効率に達した省エネの普遍的な共同結合ソリューションなど、特定のニーズに合わせて調整されています。
持続可能性とクライアントに焦点を当てたイノベーションは、私たちにとって重要です。そのため、30〜40 dB(a)の間にノイズを維持する低雑音のユニバーサルジョイントカップリングオプションを提供します。ノイズが懸念される産業スポットに最適です。そして、私たちは完全なアフターセールスサポートですべてをバックアップします。物事を正しく行うという私たちのコミットメントにより、レイダフォンは伝送業界の信頼できるパートナーになり、専門家が機器から最高のパフォーマンスと信頼性を得るのに役立ちます。
住所
中国、ニンボ市、ゼンハイ地区のルオツオ工業地域
Eメール


+86-574-87168065


中国、ニンボ市、ゼンハイ地区のルオツオ工業地域
Copyright©Raydafon Technology Group Co.、限られたすべての権利予約。
Links | Sitemap | RSS | XML | Privacy Policy |
