QRコード
お問い合わせ


ファックス
+86-574-87168065


住所
中国、ニンボ市、ゼンハイ地区のルオツオ工業地域
RaydafonのSWC-DHショートフレックス溶接タイプのユニバーサルカップリングは、大量のギアでずれているシャフトを接続するように構築されています。これは、45mmから390mmの範囲の回転直径を備えたコンパクトな短いフレックスユニバーサルカップリングです。シャフトが最大25度(角度の不整合)がオフになっている場合でも、トルクを効率的に動かします。これは、1000 kN. mで脱出し、重機の電力ニーズに合っています。
高強度の35CRMOスチールで作成し、4つの針ベアリングを追加するため、重い荷物の下に持ちこたえます。そのため、産業機械の普遍的なカップリングにはしっかりした選択であり、重機が荷物が高く止まらない場所で普遍的なカップリングを溶接するにつれて、うまく機能します。そのショートフレックスデザインは、軸方向の動きの余地がほとんどない機械にも最適です。困難な工業スペースのための困難なトランスミッションの修正を味わっています。
RaydafonはISO 9001認定を備えた中国に拠点を置くメーカーなので、すべてのSWC-DHユニバーサルカップリングの厳格な品質ルールに固執しています。クロスシャフトは、腐食と戦うためにクロムプレートを取得するため、条件が厳しい場合でも続きます。溶接ヨークは、設置も簡単になります。シャフトを正しく並べるだけで、最高の状態で動作します。冶金、鉱業、クレーンシステムのギアでそれを見つけることができますが、問題ありません。
さらに、このカップリングにはさまざまなサイズとトルクの評価があります。産業機械用のカスタムユニバーサルカップリング(たとえば、収穫者やその他の特定のギア用)が必要な場合は、お客様のニーズに合わせて調整でき、価格は競争力があります。この短いフレックスカップリングを機器のダウンタイムを削減するための製造ノウハウがあるため、マシンは全体的により確実に実行されます。
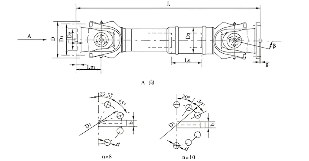
| いいえ。 | 回転直径d mm | 公称トルク TN kn・m | 軸の折りたたみ角 β (°) | 疲れたトルクTF kn・m | フレックス量 LS MM | サイズ(mm) | 回転慣性 KG.M2 | 体重(kg) | |||||||||||
| lmin | D1 (JS11) | D2 (H7) | D3 | lm | n-d | k | t | b (H9) | g | lmin | 増加 100mm | lmin | 増加 100mm | ||||||
| SWC180DH1 | 180 | 20 | 10 | ≤25 | 75 | 650 | 155 | 105 | 114 | 110 | 8-17 | 17 | 5 | - | - | 0.165 | 0.0070 | 58 | 2.8 |
| SWC180DH2 | 55 | 600 | 0.162 | 56 | |||||||||||||||
| SWC180DH3 | 40 | 550 | 0.160 | 52 | |||||||||||||||
| SWC225DH1 | 225 | 40 | 20 | ≤15 | 85 | 710 | 196 | 135 | 152 | 120 | 20 | 5 | 32 | 9.0 | 0.415 | 0.0234 | 95 | 4.9 | |
| SWC225DH2 | 70 | 640 | 0.397 | 92 | |||||||||||||||
| SWC250DH1 | 250 | 63 | 31.5 | ≤15 | 100 | 795 | 218 | 150 | 168 | 140 | 8-19 | 25 | 6 | 40 | 12.5 | 0.900 | 0.0277 | 148 | 5.3 |
| SWC250DH2 | 70 | 735 | 0.885 | 136 | |||||||||||||||
| SWC285DH1 | 285 | 90 | 45 | ≤15 | 120 | 950 | 245 | 170 | 194 | 160 | 8-21 | 27 | 7 | 40 | 15.0 | 1.876 | 0.0510 | 229 | 6.3 |
| SWC285DH2 | 80 | 880 | 1.801 | 221 | |||||||||||||||
| SWC315DH1 | 315 | 125 | 63 | ≤15 | 130 | 1070 | 280 | 185 | 219 | 180 | 10-23 | 32 | 8 | 40 | 15.0 | 3.331 | 0.0795 | 346 | 8.0 |
| SWC315DH2 | 90 | 980 | 3.163 | 334 | |||||||||||||||
| SWC350DH1 | 350 | 180 | 90 | ≤15 | 140 | 1170 | 310 | 210 | 267 | 194 | 10-23 | 35 | 8 | 50 | 16.0 | 6.215 | 0..2219 | 508 | 15.0 |
| SWC350DH2 | 90 | 1070 | 5.824 | 485 | |||||||||||||||
| SWC390DH1 | 390 | 250 | 125 | ≤15 | 150 | 1300 | 345 | 235 | 267 | 215 | 10-25 | 40 | 8 | 70 | 18.0 | 11.125 | 0.2219 | 655 | |
| SWC390DH2 | 90 | 1200 | 10.763 | 600 | |||||||||||||||
*1。TF-UNDER交互の負荷疲労強度に応じて許容するトルクを積み込みます。 *2。lmin-カット後の最小長。 *3。Lインストール長、これは要件に従ってです
しばしばSWCカルダンシャフトユニバーサルジョイントカップリングと呼ばれるSWCユニバーサルジョイントカップリングは、頑丈な産業シナリオの重要なコンポーネントです。ローリングミル、巻き上げ機械、およびさまざまな大規模な重機システムには不可欠です。高トルクのユニバーサルジョイントカップリングとして、2つの透過シャフトを非密接な軸に効果的に接続することができ、複雑で過酷な労働条件下でも途切れない送電を確保できます。
このカップリングのコア技術パラメーターは次のとおりです。
回転直径:φ58 -φ620
公称トルク:0.15-1000 kN・m
軸の折り畳み角:≤25°
実際のアプリケーションでは、非常にうまく機能します。たとえば、ローリングミルの操作中に、ローリングミル専用の信頼できる頑丈なユニバーサルジョイントカップリングが必要な場合、または耐久性のあるSWCユニバーサルジョイントシャフトの結合が必要な場合、リフティングおよび材料処理機器に必要な場合、この製品は完全に有能です。重い負荷の下でも、機器の動作安定性を安定に維持できます。
SWCユニバーサルジョイントカップリングは、高度なエンジニアリング原則を使用して設計されており、産業環境での優れたパフォーマンスとより長いサービスライフを提供します。その主な構造的特徴は次のとおりです。
合理的で安全な構造:統合されたフォークヘッドデザインを特徴とするこの産業普遍的な関節結合により、ボルトの緩みまたは破損のリスクが低下し、構造強度が30%〜50%増加します。この設計により、安全で信頼できる操作が保証され、従来のモデルと比較してサービスの寿命が延長され、重機のユニバーサルジョイントカップリングシステムなどの高圧シナリオの一般的な障害を防ぎます。
荷重負荷容量の強化:SWCヘビーデューティユニバーサルジョイントカップリングは、重い負荷を負担するように特別に設計されており、マイニングや建設機械などの優れた負荷管理を必要とするシナリオで不可欠です。
高い透過効率:最大98.6%の効率により、この効率的な普遍的な共同結合により、高出力伝達はエネルギー消費と関連コストを大幅に削減し、高出力の産業伝播システムにおける省エネ省の普遍的な関節結合ソリューションの最初の選択となります。
低ノイズを備えた安定した動作:この低ノイズのユニバーサルジョイントカップリングは、通常30〜40 dB(a)の間で騒音レベルで安定して動作し、静かなパフォーマンスを確保します。高い信頼性を維持しながら、騒音に敏感な環境に最適です。
ユニバーサルジョイントの結合、特にSWCカルダンシャフトユニバーサルジョイントカップリングは、優れた利点により、産業用途で不可欠な伝送コンポーネントになりました。彼らは、重機、精密製造、エネルギー伝達などの分野でのパフォーマンスでコアニーズを満たすことができます。以下は、重要な利点の詳細な分析です。
1。強力なトルク伝達と優れた誤整形補償
高トルクのユニバーサルジョイントカップリングとして、高出力負荷を安定に伝達することができます。ローリングミルの操作中にシャフトの不整合が頻繁に発生するシナリオでさえ、スチールローリング中のローラー摩耗や温度の変化によって引き起こされる軸方向のオフセットなど、ローリングミル操作のための信頼できる大量のユニバーサルジョイント結合は簡単に処理できます。最大25度の最大角度の不整列とともに、角度、軸、およびradial骨の不整列を同時に補正できます。この優れた不整合の適応性は、シャフトの不整合によって引き起こされるトランスミッションジャムを防ぎ、継続的かつ安定した電力供給を保証し、極端な労働条件下での機械的障害の確率を大幅に減らし、生産ラインの継続的な動作を保証します。
2。耐久性が高く、サービス寿命が長い
SWCユニバーサルジョイントカップリングの設計と材料の選択は、「重い負荷に抵抗し、厳しい環境に耐える」ことに集中しています。本体は、高強度合金鋼で作られており、統合されたフォークヘッド構造と組み合わされており、ボルトの緩みやコンポーネントの破損などの一般的な故障ポイントを根本的に減らします。耐久性のあるSWCユニバーサルジョイントシャフトカップリングを持ち上げおよび材料処理装置に使用するものを例にとると、粉塵や高温などの過酷な環境で重い物体を持ち上げ、安定した性能を維持する際の瞬間的な衝撃負荷に耐えることができます。従来の分割構造カップリングと比較して、この産業普遍的な関節結合は全体的な強度が30%〜50%増加し、毎日のメンテナンスの頻度を減らすだけでなく、サービス寿命を2〜3年延長します。これは、重機の普遍的な共同カップリングシステムの長期的な高負荷操作ニーズに特に適しています。
3。高伝播効率と重要な省エネ効果
テストでは、SWCの大量のユニバーサルジョイントカップリングの伝送効率が98.6%であることが示されています。これは、高出力の産業用トランスミッションシナリオで明らかな利点があります。継続的な高出力伝送を必要とする機器の場合、大規模な電力伝達のためのこの効率的なユニバーサルジョイントカップリングと一致すると、電力損失が最小限に抑えられます。省エネ省の普遍的な共同カップリングソリューションを追求する企業の場合、この高効率はコストの利点に直接変換できます。例として1500kWの工業モーターを摂取すると、年間12,000元を電力コストを節約でき、エネルギーの消費と産業の流行に準拠しながら、企業が長期使用のかなりの運用コストを削減するのに役立ちます。
4.複数のシナリオに適した安定した静かな操作
ベアリングの適合精度を最適化し、低摩擦係数で潤滑グリースを使用することにより、この低ノイズのユニバーサルジョイントカップリングの動作ノイズは、30〜40 dB(A)で厳密に制御されます。食品加工プラントの生産ラインや精密な電子コンポーネントのための機器の運搬など、騒音に敏感なシナリオでは、送信システムの安定性と信頼性を確保するだけでなく、騒音によるワークショップ環境や従業員の運用体験に影響を及ぼさないようにすることもできます。同時に、安定した伝送特性は、機器の振動によって引き起こされる周囲のコンポーネントの摩耗を減らし、生産システム全体の動作安定性とサービス寿命をさらに改善することもできます。
SWC-DHショートフレックス溶接タイプのユニバーサルカップリングは、しばしばSWCカルダンシャフトユニバーサルジョイントカップリングと呼ばれ、主にローリングミルやホイストなどの重機のシナリオで使用されます。このタイプの機器には、構造的なコンパクト性と柔軟性に関する非常に高い要件があります。これらの2つのポイントを満たすことで効率的な操作を達成でき、この結合はそのようなニーズを完全に満たしています。高トルクのユニバーサルジョイントカップリングとして、2つのトランスミッションシャフトを非密接な軸に効果的に接続でき、シャフトシステムの不整合の正確な補償を必要とする厳しい産業環境でもシームレスなパワー伝送を保証します。
実際のアプリケーションでは、ローリングミルの作業中にローリングミル操作のための信頼できる頑丈なユニバーサルジョイントカップリングが必要かどうか、または耐久性のあるSWCユニバーサルジョイントシャフトカップリングが持ち上げおよび材料ハンドリング機器に必要であるかどうか、この製品は優れたパフォーマンスを行うことができます。その適応性の利点は、スペースが制限され、短い柔軟な構造設計が必要なコンパクトな機器レイアウトで特に顕著です。
このSWC-DH産業普遍的な共同結合は、高度なエンジニアリング技術で構築されており、産業シナリオ向けに特にパフォーマンスとサービスライフに最適化されています。そのコア構造の特徴は、その合理的で安全な設計にあります。統合されたフォークヘッド構造は、ボルトの緩みまたは破損の隠された危険を根本的に排除し、全体的な強度を30%〜50%増加させます。この設計は、運用の安全性と信頼性を保証するだけでなく、従来のモデルと比較してサービス寿命を拡大し、重機のユニバーサルジョイントカップリングシステムなどの高ストレスアプリケーションシナリオの一般的な障害の問題を回避します。
さらに、その負荷をかける能力は設計によって強化され、より大きな重みに耐えるために強化されているため、このSWCの頑丈なユニバーサルジョイントカップリングは、マイニング機械や建設機器などの負荷をかける容量に関する厳格な要件を備えたシナリオに非常に適しています。トランスミッション効率の観点から、最大98.6%に達します。大規模な送電のための効率的な普遍的な関節結合として、エネルギー消費と電力コストを大幅に削減することができ、高出力産業トランスミッションの分野での省エネ省の普遍的な共同カップリングソリューションに好ましい製品になります。
最後に、このカップリングは、通常30〜40 dB(a)で制御される動作ノイズを備えた安定した伝送を備えており、低雑音のユニバーサルジョイントカップリングになります。この特徴により、常に高い信頼性を維持しながら、騒音感受性の産業シナリオでも静かに動作できます。
wang Wang Lei、Project Engineer、Guangdong Heavy Machinery Co.、Ltd。
私たちはしばらくの間、私たちの重機でRaydafonのSWC-DHショートフレックス溶接タイプのユニバーサルカップリングを使用してきましたが、特にタイトなスポットに収まることになると、それは嬉しい驚きでした。私たちの機器には伝送部品のスペースがかなり限られていますが、このカップリングのコンパクトなデザインは手袋のように適合しているため、機能させるために他のコンポーネントを再配置する必要はありません。
さらに良いのは、サイズのパフォーマンスを犠牲にしないことです。それは依然として強力で安定したトルク伝達を提供します。これは、私たちの頑丈な操作のために魅力的です。数週間継続的に実行しており、異常な振動はゼロでした。システム全体が滑らかなままです。溶接品質も別のハイライトです。見ているだけで堅実であると言うことができます。スペース節約のデザインと信頼性のバランスをとるカップリングの場合、これは勝者です。
⭐⭐⭐⭐⭐Zhao Ming、Tianjin Steel Equipment Co.、Ltd。
私たちは最近、RaydafonからいくつかのSWC-DHカップリングを注文しましたが、私は言わなければなりません。全体の調達プロセスはそよ風でした。頭痛も遅れもありませんでした。私たちが注文した瞬間から、彼らのチームは反応が良く、配達は予定されている日付に正しく現れました。これは、私たちの生産を順調に進めるための大きなプラスです。パッケージも一流でした。各カップリングは安全に包まれており、輸送中にへこみや損傷はありませんでした。
私たちのテクニカルチームはセットアップを処理し、彼らはすぐにマウントがどれほど簡単かを述べました。複雑なステップも、特別なツールを狩る必要もありません。彼らはすぐにフィットし、それ以来確実に実行されています。この一貫したパフォーマンスと合理的な価格を考慮した場合、この結合が大きな価値を提供することは明らかです。私たちはすでにそれを通常の調達リストに載せることを計画しています。バイヤーとしての私の仕事を簡単にするのは、一種の製品です。
shandong産業グループのメンテナンスディレクター、Li Hong
機器のメンテナンスを監督する人として、私の最大の優先事項は、ダウンタイムを削減し、チームが部品のサービスに費やす時間を短縮することです。 RaydafonのSWC-DHカップリングは、両方のボックスを完全にチェックします。私たちはそれを毎日重いワークロードの下で走る機器でそれを使用し、それがしっかりとシフトすることはありません。数ヶ月の使用後でも、摩耗の兆候はほとんどありません。これは、以前に使用した他のカップリングとは大きく対照的です。
これらの古いカップリングを使用して、私たちは常にクイックフィックスまたはパーツの交換をスケジュールしていました。これです?私たちはほとんどそれに触れません。頻繁にサービスを提供しておらず、予期せぬ故障はありません。メンテナンスの時間とお金を大幅に節約でき、その仕事を確実に続けています。最近では、私たちの日常業務の頼りになるコンポーネントになりました。失敗することを心配する必要はありません。これにより、他の優先事項に集中できます。まさに、すべてのメンテナンスチームが必要とする信頼できる部分の一種です。
住所
中国、ニンボ市、ゼンハイ地区のルオツオ工業地域
Eメール


+86-574-87168065


中国、ニンボ市、ゼンハイ地区のルオツオ工業地域
Copyright©Raydafon Technology Group Co.、限られたすべての権利予約。
Links | Sitemap | RSS | XML | Privacy Policy |
