QRコード
お問い合わせ


ファックス
+86-574-87168065


住所
中国、ニンボ市、ゼンハイ地区のルオツオ工業地域
Flex FlangeタイプのないRaydafonのSWC-WFは、重機での高トルクトランスミッションのためだけに作られています。冶金機器、クレーン、鉱業システム、安定したパワーを必要とするすべての厳しいセットアップを考えてください。 160mmから640mmの範囲のガイレーション直径、このフランジタイプのユニバーサルカップリングは、非常に要求の厳しい条件で作業しても、問題はありません。高強度の35CRMOスチールを使用してそれを構築するため、激しい負荷を完全に完全に維持します。これは、なぜ重機の普遍的な結合のためのトップピックであり、産業用途向けの非濃度のユニバーサルカップリングです。 Raydafonの精密製造により、特に一貫したトルク送達で妥協できない業界にとって、毎回堅実なパフォーマンスが提供されることを確認します。
このSWC-WFユニバーサルカップリングは、造船ドライブやローリングミルなどのシステムに設置を容易にする剛性フランジ接続を備えており、軸方向の動きがあまりない場所で構築されています。私たちはISO 9001の基準に厳密に従っており、中国に本拠を置く工場では、高度な機械加工と緊密な品質チェックを使用して、この耐久性のあるフランジユニバーサルカップリングを行います。最大1250 kN・mまでのトルク評価があるカスタマイズ可能なサイズであるため、冶金機器やその他の頑丈なセットアップのカスタムユニバーサルカップリングにまったく適合します。 Raydafonはまた、競争力のある価格でテーラードソリューションを提供し、ダウンタイムを削減し、機器の信頼性を高めるのに役立ちます。
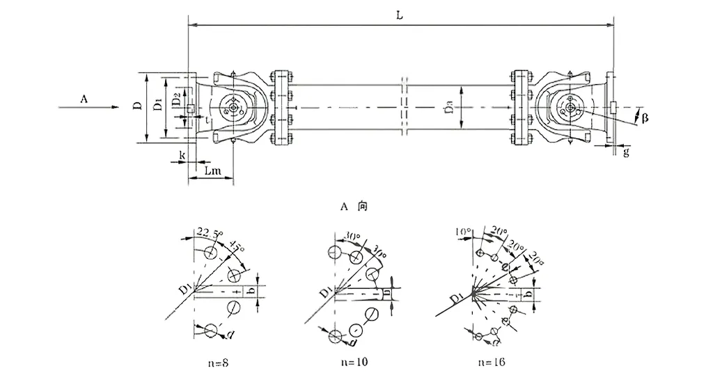
| いいえ。 | 回転直径d mm | 公称トルク TN kn・m | 軸の折りたたみ角 β (°) | 疲れたトルク TF kn・m | サイズ(mm) | 回転慣性 KG.M2 | 体重(kg) | |||||||||||
| lmin | D1 (JS11) | D2 (H7) | D3 | lm | n-d | k | t | b (H9) | g | lmin | 増加 100mm | lmin | 増加 100mm | |||||
| SWC285WF | 285 | 90 | 45 | ≤15 | 810 | 245 | 170 | 194 | 160 | 8-21 | 27 | 7 | 40 | 15 | 2.664 | 0.051 | 220 | 6.3 |
| SWC315WF | 315 | 125 | 63 | 915 | 280 | 185 | 219 | 180 | 10-23 | 32 | 8 | 40 | 15 | 4.469 | 0.0795 | 300 | 8.0 | |
| SWC350WF | 350 | 180 | 90 | 980 | 310 | 210 | 267 | 194 | 10-23 | 35 | 8 | 50 | 16 | 7.388 | 0.2219 | 412 | 15.0 | |
| SWC390WF | 390 | 250 | 125 | 1100 | 345 | 235 | 267 | 215 | 10-25 | 40 | 8 | 70 | 18 | 13.184 | 0.2219 | 588 | 15.0 | |
| SWC440WF | 440 | 355 | 180 | 1290 | 390 | 255 | 325 | 260 | 16-28 | 42 | 10 | 80 | 20 | 23.250 | 0.4744 | 880 | 21.7 | |
| SWC490WF | 490 | 500 | 250 | 1360 | 435 | 275 | 325 | 270 | 16-31 | 47 | 12 | 90 | 22.5 | 40.750 | 0.4744 | 1173 | 21.7 | |
| SWC550WF | 550 | 710 | 355 | 1510 | 492 | 320 | 426 | 305 | 16-31 | 50 | 12 | 100 | 22.5 | 68.480 | 1.3570 | 1663 | 34.0 | |
| SWC620WF | 620 | 1000 | 500 | 1690 | 555 | 380 | 426 | 340 | 10-38 | 55 | 12 | 100 | 25 | 127.530 | 1.3570 | 2332 | 34.0 | |
*1。TF-UNDER交互の負荷疲労強度に応じて許容するトルクを積み込みます。
*2。Lインストール長。これは要件に従ってです。
フレックスフランジタイプのないレイダフォンのSWC-WFユニバーサルジョイントカップリング(SWCカルダンシャフトユニバーサルジョイントカップリングとも呼ばれます)は、基本的な機械的アイデアに基づいています。2つの非共線シャフトから行く必要がある場所にトルクを取得し、誤った調整も処理します。このハイトルクユニバーサルジョイントカップリングは、交差するセットアップを使用して両端のフランジをリンクするため、シャフトが最大25度相殺されたり、軸/放射状偏差を持っている場合でも、回転力をスムーズに動かします。
それがどのように機能するかの中心は、普遍的なジョイントデザインです。ピボットのように機能するクロスシャフトがあり、各フランジを単独で動かすことができます。そうすれば、トルクは駆動シャフトから駆動シャフトに効率的に駆動型になり、接続されている部分にあまりストレスをかけることなく、角度の不整合を補います。ローリングミル操作のために信頼できる頑丈なユニバーサルジョイントカップリングが必要な場合、この硬くて柔軟なフランジ構造は、コンパクトな重機械のセットアップでの短距離接続に最適なものを安定させます。
その機能を際立たせるのは、柔軟な部品や拡張機能がないことです。これは、他のタイプとは一線を画し、軸方向の動きが最小限の場所に最適です。耐久性のあるSWCユニバーサルジョイントシャフトカップリングは、リフティングと材料処理機器に使用しています。この原則に傾いて、大きな負荷の下でもバランスを保ちます。送信効率に最大98.6%に達し、あまりエネルギーを無駄にしません。この産業普遍的な関節結合は、正確なベアリングの動きのおかげで振動を削減するため、強い産業の仕事に見られる重機の普遍的な共同カップリングシステムのように、高ストレスの状況でもスムーズに動作します。
さらに、RaydafonのSWCヘビーデューティユニバーサルジョイントカップリングにより、フランジを溶接して頑丈にしました。ボルトが緩んでいることを心配する必要はありません。大規模な送信のための効率的な普遍的な関節結合として、それは0.15から1000 kN・mの公称トルクを処理し、φ58からφ620までの回転直径を持ち、産業の伝達を要求する省エネの普遍的な関節結合ソリューションのためのトップピックを作ります。そして、ノイズが30〜40 dB(a)の間に保持されると、この低ノイズのユニバーサルジョイントカップリングは静かに動作します。これは、騒音が懸念される産業スポットに最適です。
RaydafonのSWCユニバーサルジョイントカップリング(多くの場合、SWCカルダンシャフトユニバーサルジョイントカップリングと呼ばれる)は、単なる通常の部分ではありません。ローリングミル、巻き上げ機械、あらゆる種類の丈夫な重機システムなど、頑丈な産業用セットアップには必須アイテムです。ハイトルクユニバーサルジョイントカップリングとして、それは完全に並んでいない2つのトランスミッションシャフトをリンクする強固なジョブを行い、作業条件が荒れていてもパワーが流れ続けるようにします。
その重要な仕様について説明しましょう。回転直径はφ58からφ620の範囲、公称トルクは0.15から1000 kN・m、軸の折り畳み角度は25°以下です。
この製品は、ローリングミル操作のための信頼できる頑丈なユニバーサルジョイントカップリングや、リフティングおよび材料処理装置の耐久性のあるSWCユニバーサルジョイントシャフトカップリングが必要な場合など、特定のシナリオで実際に輝いています。これらの場合、重い負荷を扱っている場合でも、操作を安定させることにより、その価値を証明しています。
RaydafonのSWCユニバーサルジョイントカップリングは、機能用に構築されているだけではありません。これは、産業用に持ちこたえて、長期的なパフォーマンスを維持するためのスマートデザインで設計されています。その構造を際立たせるものを分解しましょう。
まず、合理的で安全な構成を備えています。この産業普遍的な関節カップリングには、ボルトが緩んだり壊れたりするなどのリスクを削減する統合フォークヘッドデザインを使用しました。それだけで、構造の完全性が30%〜50%増加するため、安全かつ確実に機能します。通常のカップリングと比較して、それはより長く続き、強い仕事で見られる重機の普遍的な共同カップリングシステムなど、高ストレススポットの一般的な故障を回避します。
次に、負荷をかける能力が強化されています。このSWCの頑丈なユニバーサルジョイントカップリングは、大きなウェイトを処理するために作られているため、マイニングや建設機械などの一流の負荷管理を必要とする場所では必須です。
また、最大98.6%を迎える高いトランスミッション効率も提供します。大規模な送電のための効率的な普遍的な共同結合として、それはエネルギーの使用とそれに伴うコストを削減します。そのため、高出力の産業トランスミッションセットアップにおける省エネ普及普遍的な共同カップリングソリューションの最大の選択肢です。
また、低ノイズで滑らかに動きます。透過を安定させ、通常は30〜40 dB(a)の間にノイズが維持されます。この低ノイズのユニバーサルジョイントカップリングにより、操作が静かに過ごすようになります。これは、騒音が問題である場所に最適です。
⭐⭐⭐⭐⭐チェン・リアン、Zhejiang Machinery Co.、Ltd。
RaydafonのSWC-WFを、生産ラインの1つにFlex Flangeタイプのユニバーサルカップリングなしで配置しましたが、これまでのところうまく機能しています。構造はシンプルですが困難です。それが簡単で、複雑なステップはありませんでした。セットアップすると、スムーズに実行され、追加の調整は必要ありません。負荷が重い場合でも、この結合は信頼できるままです。つまり、マシンをあまり心配せずに長時間走らせることができます。
Sun Mei、購入監督、Hebei Steel Co.、Ltd。
私たちの会社は、レイダフォンからフレックスフランジタイプのユニバーサルカップリングなしでいくつかのSWC-WFを購入しました。最初に、配達は時間通りに正しかったので、パッケージも慎重でした。ダメージはまったくありませんでした。私にとって本当に際立っているのは、ワークショップチームが言ったことです。彼らは、カップリングが簡単にインストールでき、それらを使用するとき、彼らは本当にしっかりしていると感じました。さらに、他のサプライヤーと比較して、ここの価格は公平です。全体として、私たちはこの購入に本当に満足しています。
⭐⭐⭐⭐⭐guoジュン、リアオンヘビーインダストリーグループ、メンテナンスマネージャー
私の仕事は、マシンを稼働させ続けることであり、できる限りダウンタイムを削減しようとしています。フレックスフランジタイプのユニバーサルカップリングなしでRaydafonのSWC-WFを使用し始めて以来、私は大きな違いがあることに気付きました。これは、操作中の問題が少なく、操作中の問題が少なくなりました。デザインは困難であり、メンテナンスはあまり必要ありません。それは私たちに時間とお金の両方を節約し、それは私たちの機器にとって非常に信頼できる部分であることが判明しました。
RaydafonはEver-Power Group Co.、Ltdの主要子会社です。私たちは単なるサプライヤーではなく、最高品質の伝送コンポーネントや産業ソリューションの頼りになるプロバイダーであり、SWC Cardan Shaft Universal Joint Couplingなどの革新的な製品に多くの焦点を当てています。私たちが始めて以来、私たちはテクノロジーを前進させ、グローバル市場で成長することについてです。私たちは単一のコンポーネントの販売をやめませんでした。これで、農業と頑丈な産業のニーズに完全に適合するフルシステムソリューションを作成しています。ドライブシャフトとトランスミッション製品のノウハウは、ローリングミルの運用(およびその他の厳しい仕事)のために信頼できる頑丈な普遍的な共同カップリングを必要とするクライアントが、私たちを堅実なパートナーとして期待できることを意味します。
Raydafonでは、ギアボックス、ドライブシャフト、油圧シリンダー、プーリー、さらにはCNC旋盤やミリング機などの高度な工作機械など、幅広い製品を製造しています。当社の高トルクユニバーサルジョイントカップリングソリューション(たとえば、SWCシリーズなど)は、リフティングおよび材料ハンドリング機器に耐久性のあるSWCユニバーサルジョイントシャフトカップリングを必要とする産業の厳格な需要を処理するために構築されています。 CNCワークショップ、研削および熱処理マシン、3D測定ツールなど、高度な施設もあります。すべてISO9001/TS16949標準に固執するため、私たちが行うすべての産業普遍的な共同結合は最高で正確です。
私たちは、製品の80%を海外で販売しており、米国、ドイツ、日本、イタリア、マレーシア、オーストラリア、中東などの市場に販売しています。そして、中国、韓国、英国、シンガポール、米国、スペインなどの場所に強力なネットワークがあり、それをバックアップしています。このグローバルリーチにより、SWCヘビーデューティユニバーサルジョイントカップリングなど、カスタマイズされたソリューションを作成できます。これは、大きな荷重を処理し、長持ちする必要がある重機のユニバーサルジョイントカップリングシステム用に設計されています。
革新と顧客を幸せにすることが私たちの優先事項です。私たちは、最大98.6%の送信効率に達し、高出力セットアップの運用コストを削減する省エネユニバーサル共同カップリングソリューションを提供しています。大規模な電力トランスミッションのための効率的なユニバーサルジョイントカップリングや、騒音が重要な場所の低ノイズユニバーサルジョイントカップリングが必要であるかどうかにかかわらず、当社の製品にはプロのアフターセールスサービスが付属しています。そのため、Raydafonがすべての送信ニーズに最適な選択です。
住所
中国、ニンボ市、ゼンハイ地区のルオツオ工業地域
Eメール


+86-574-87168065


中国、ニンボ市、ゼンハイ地区のルオツオ工業地域
Copyright©Raydafon Technology Group Co.、限られたすべての権利予約。
Links | Sitemap | RSS | XML | Privacy Policy |
